CFCPcc — Cell culture compression system




26
Description
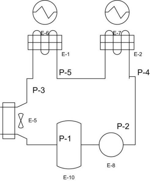
2x custom design cryopreservation units keep samples at 4⁰ C using peltier elements with water cooling
Incubation temperature can be set to 37 ⁰ C using the same setup
Laboratory automation
SampleX| 2012